Since there is no information on frequency response or component values, I decided to do a completely new approach. I chose the frequency response of a good 12-inch guitar speaker and tried to simulate its frequency response with opamp based filters with no inductors which usually are quite large and bulky. The figure below shows the 12-inch Celestion Vintage 30 speaker and its frequency response:
The figure below shows the 12-inch Celestion G12M Greenback speaker and its frequency response:
As it can be seen, SPL (Sound Pressure Level) frequency response ramps up from 70 dB to approximately 100 dB between 20 Hz to 150 Hz, it stays flat at 100 dB until 1 kHz, it has a small 6 dB notch at 1.5 kHz, and it goes abruptly up close to 110 dB at 2.5 kHz, and then it starts to go down to 80 dB with a steep fall of 10dB at 6Khz. At 20 kHz is somewhere between 60 dB and 70 dB.
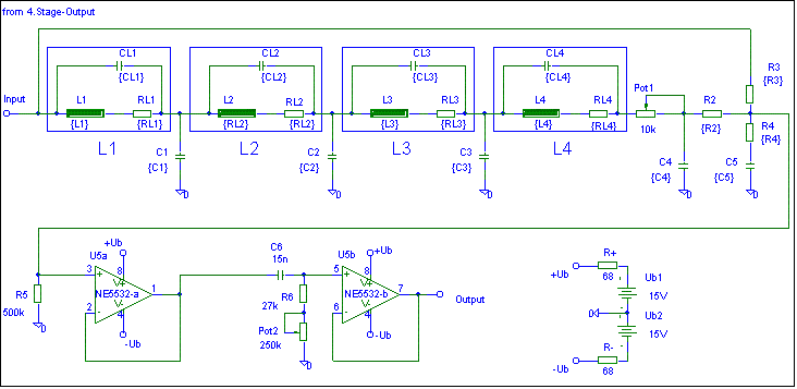
In order to replicate a similar speaker frequency response, I designed a 4 section filter based on Sallen-Key opamp topology. I used TI Filter Designer tool to design the speaker simulator filter.
The figure below shows Speaker Simulator schematics.
The resulting frequency response is shown in the figure below:
The design basically consists of four low pass filters with some resonance around 2.5kHz, this enhance frequencies around these resonances and makes the ramp at high frequencies quite abrupt.
Blog update on July 18th, 2014:
The following figure shows approximation in two steps to final frequency response by using four stages Sallen-Key filters:
There are much more complex speaker or cabinet simulator designs. Some of them can be found at HEXE Guitar Electronics.
To be honest, I am not sure how efficient these cabinet simulators are, because the obtained sound is filtered by the response of the headphones which may vary quite significantly. I guess that the different resonances in the cabinet even if it's open-back and the room itself change the frequency response, so I am not sure how SPL reflects the frequency response of a speaker in a cabinet in a particular room. I guess that first we should get the frequency response in a particular environment, not only amplitude but also phase! then we should get the frequency response and phase! of the headphones (which may vary depending on the model) specially if they are Dr. Dre crap!! and then we should be able to implement a filter that is able to compensate headphones response to reproduce cabinet speaker and room response.










